| Temperature range | -65~+155℃ | Insulation resistance | ≥1000MΩ | |
| Characteristic impedance | 50Ω | Dielectric withstanding votage | 750V(ms) | |
| Frequency range | 0~6GHz | VSWR | ≤1.30 | |
| Voltage rating | 250V(rms) | Insertlon loss | 0.1dBat 1GHz | |
| Contact resistance | Center conductor | ≤0.005Ω | Durablity | 500 Cycles |
| Outer conductor | ≤0.0025Ω | |||

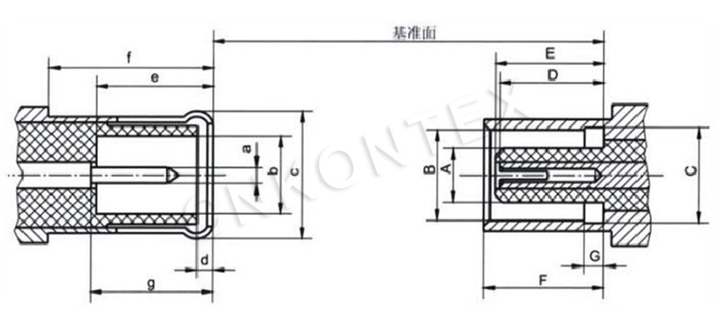
| PLUG(mm) | ||
| Min | Max | |
| a | φ0.48 | φ0.53 |
| b | φ2.00 | φ2.07 |
| C | φ3.66 | φ3.76 |
| d | 0.00 | 0.30 |
| e | 2.81 | 3.20 |
| f | 4.15 | 一 |
| g | 2.81 | 3.20 |
| JACK(mm) | ||
| Min | Max | |
| A | φ1.80 | φ1.97 |
| B | φ3.43 | φ3.48 |
| C | φ3.61 | φ3.75 |
| D | 2.31 | 2.79 |
| E | 2.61 | 2.79 |
| F | 4.00 | 4.12 |
| G | 0.75 | 0.85 |
Tel
Top